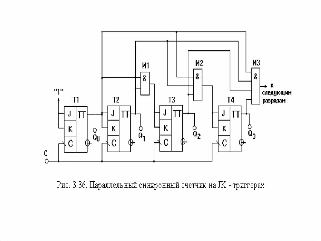
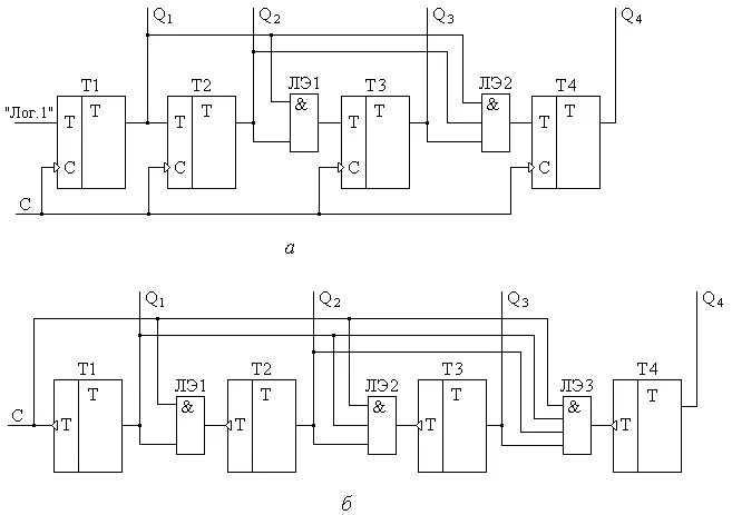
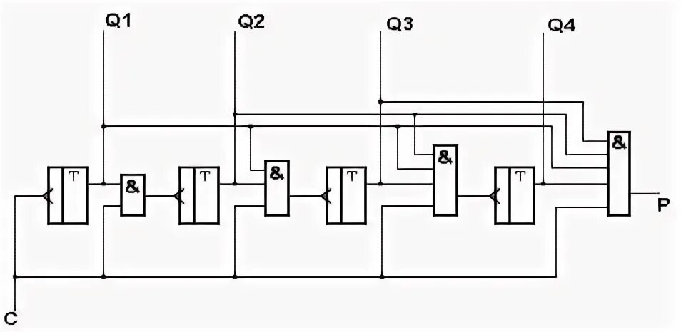
Синхронно параллельно