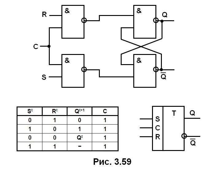
Синхронная схема