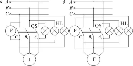
Синхронная работа генератора с сетью