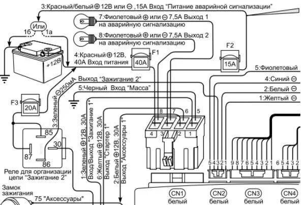
Сигнализация логикар 4 инструкция