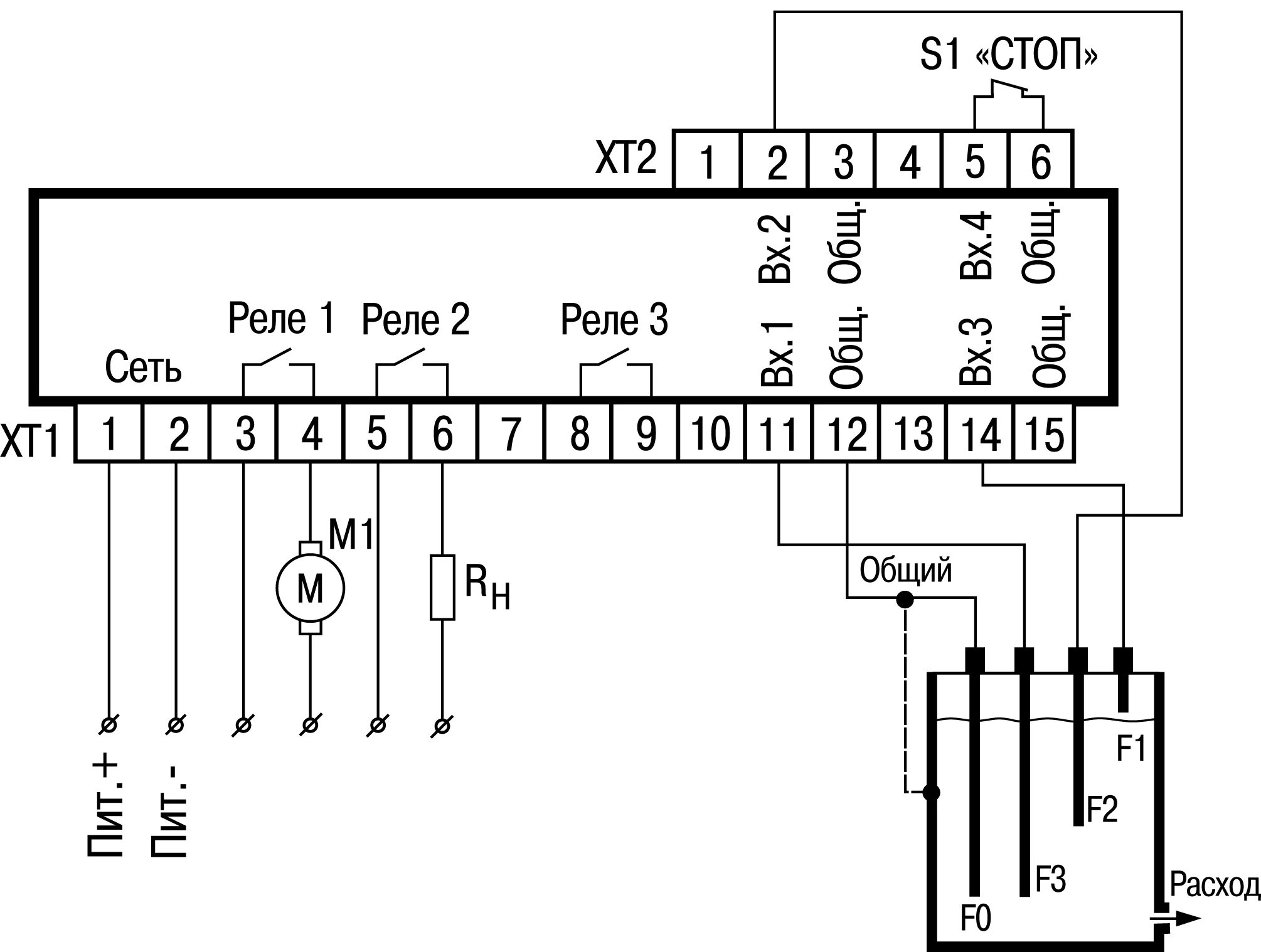
Сигнализатор уровня сау