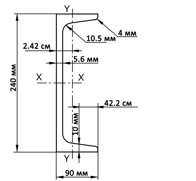
Швеллер внутренний размер