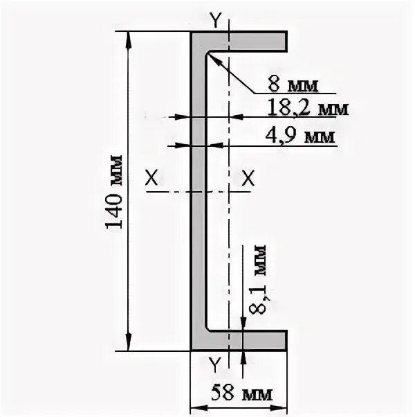
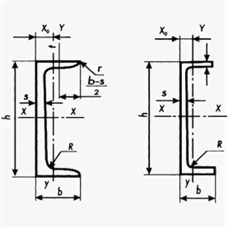
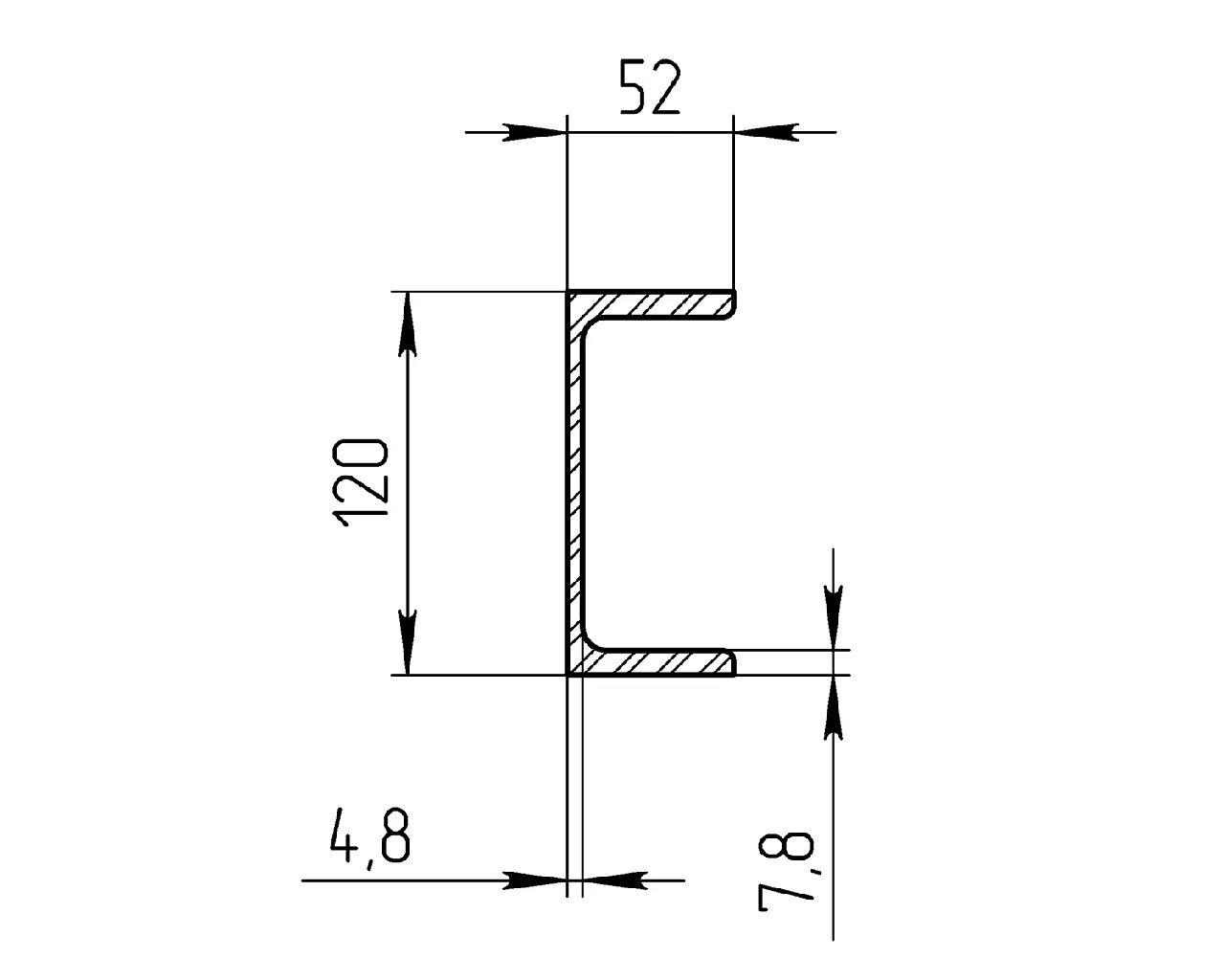
Швеллер 14 п размеры