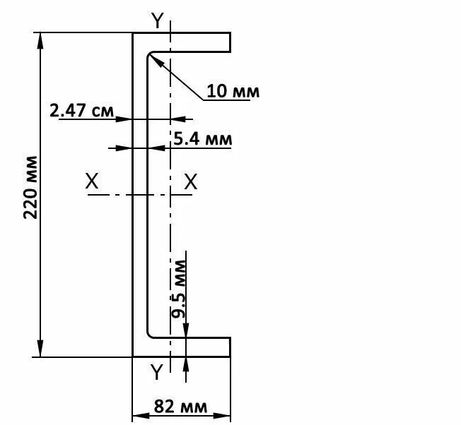
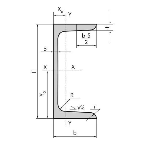
Швеллер 120 размеры