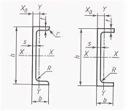
Швеллер 10 размеры сечения