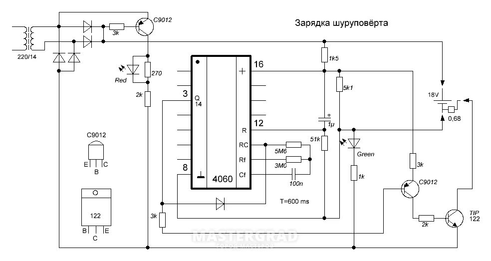
Шуруповерт интерскол схема зарядного устройства