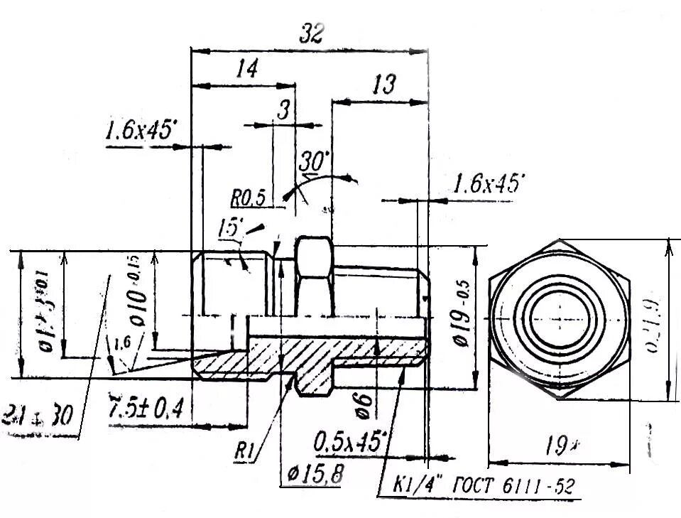
Штуцер 1 2 размеры