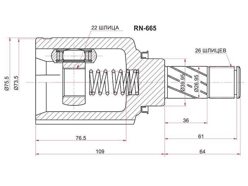
Шрус на рено логан сколько шлицов