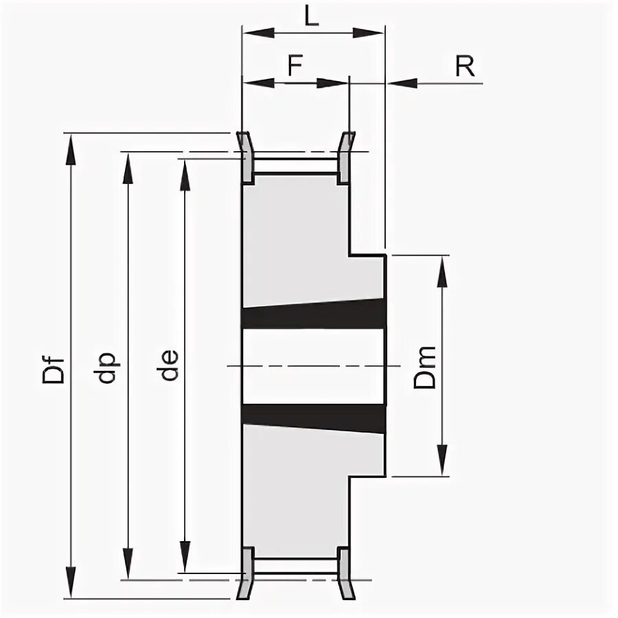
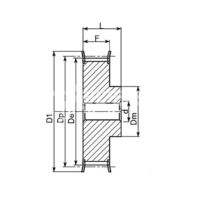
Шкив зубчатый размеры