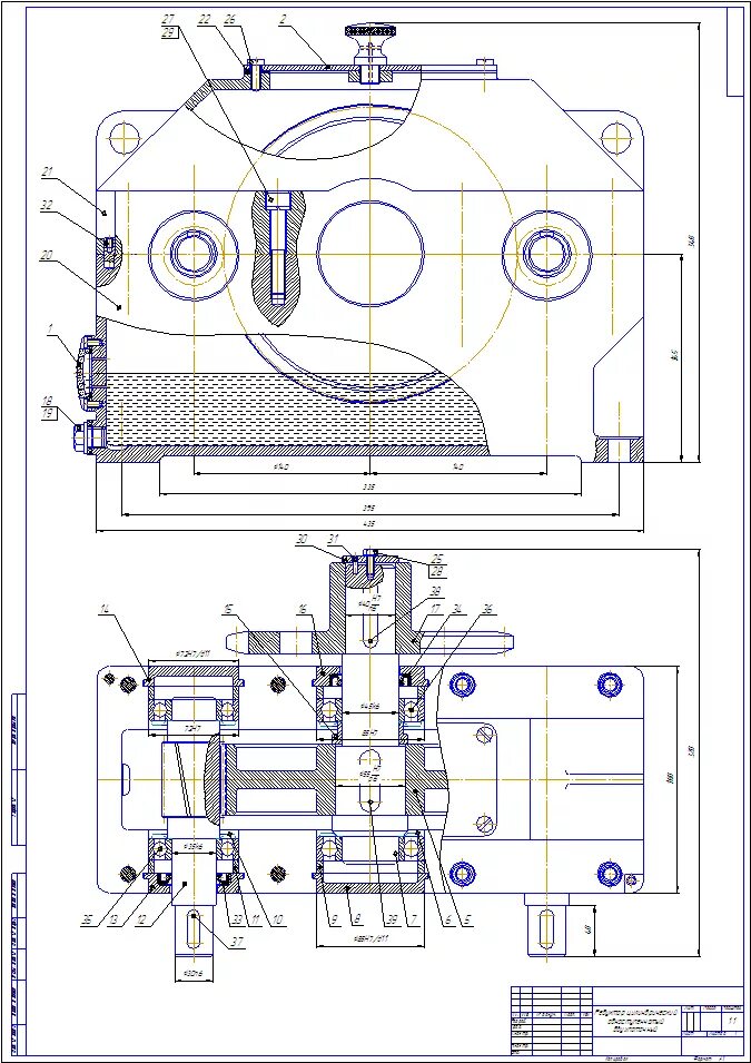
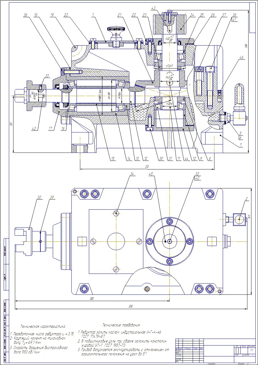
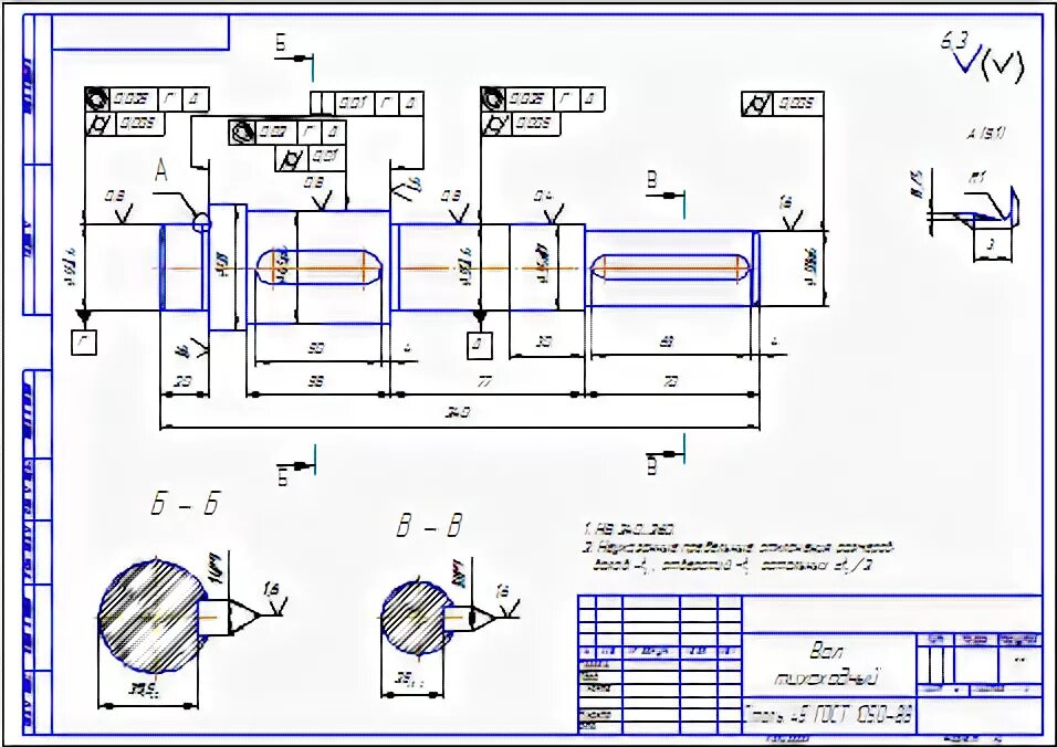
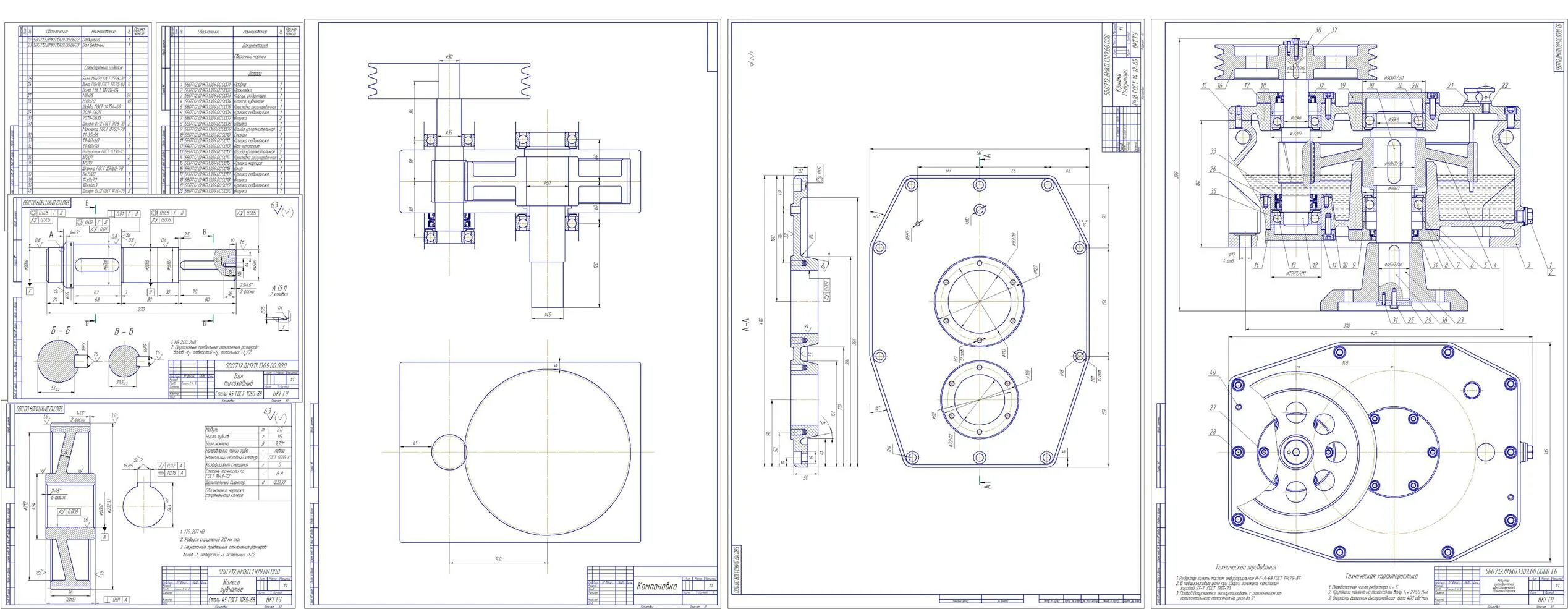
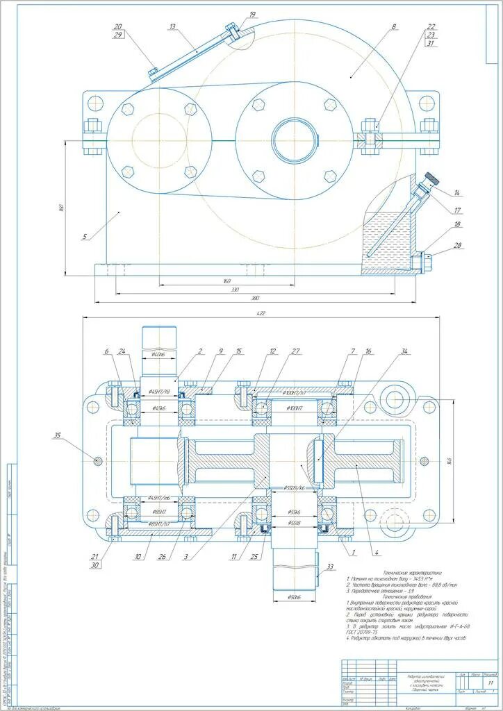
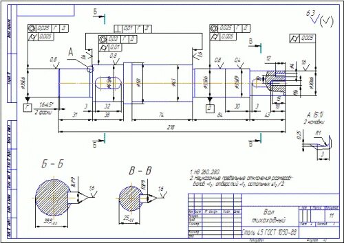
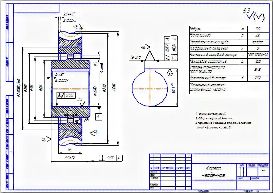
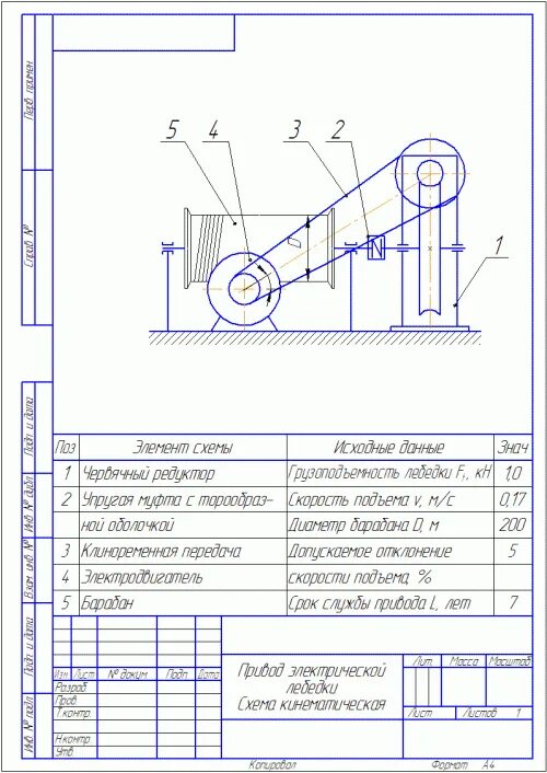
Шейнблит курсовое проектирование деталей