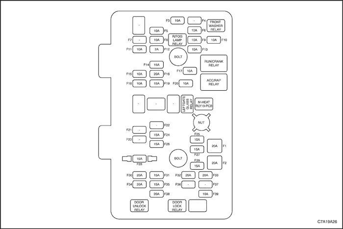
Шевроле спарк предохранители