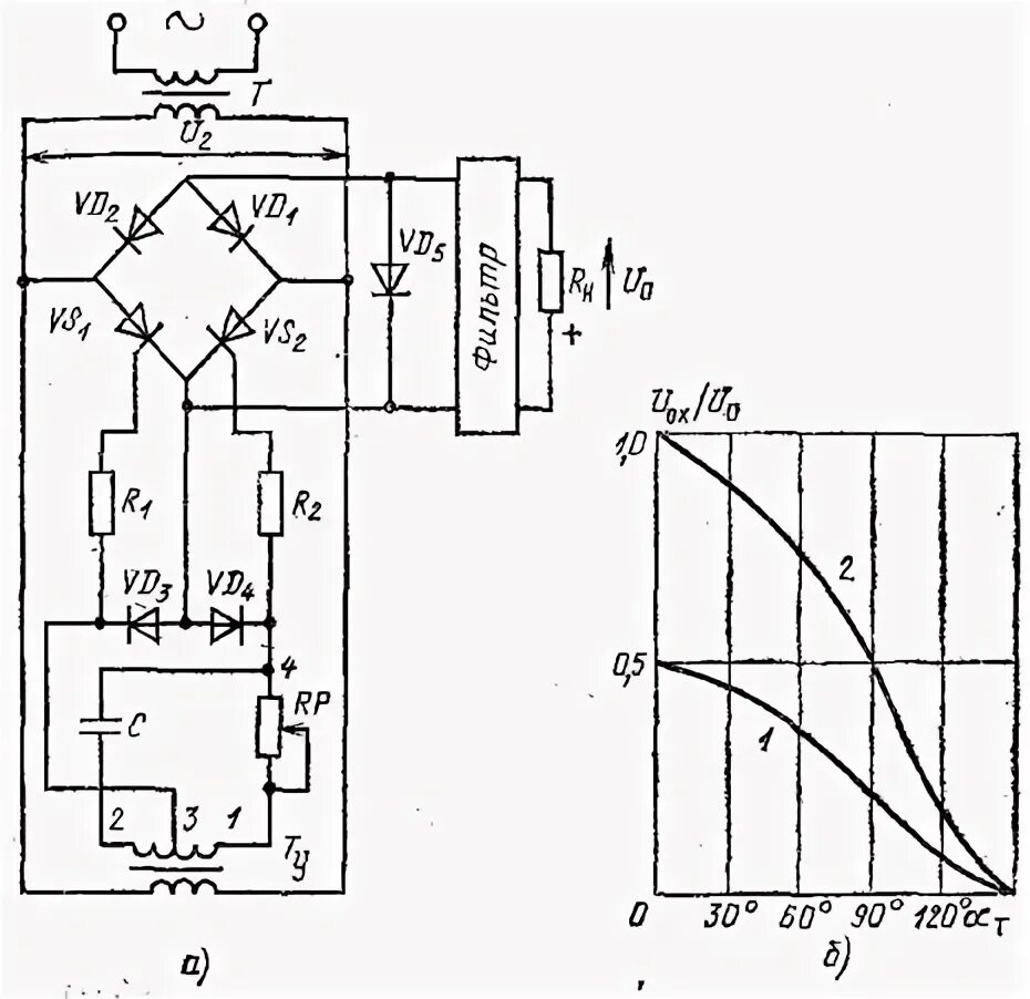
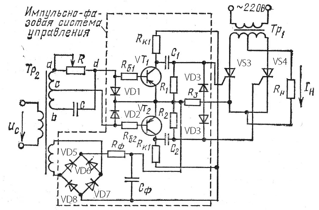
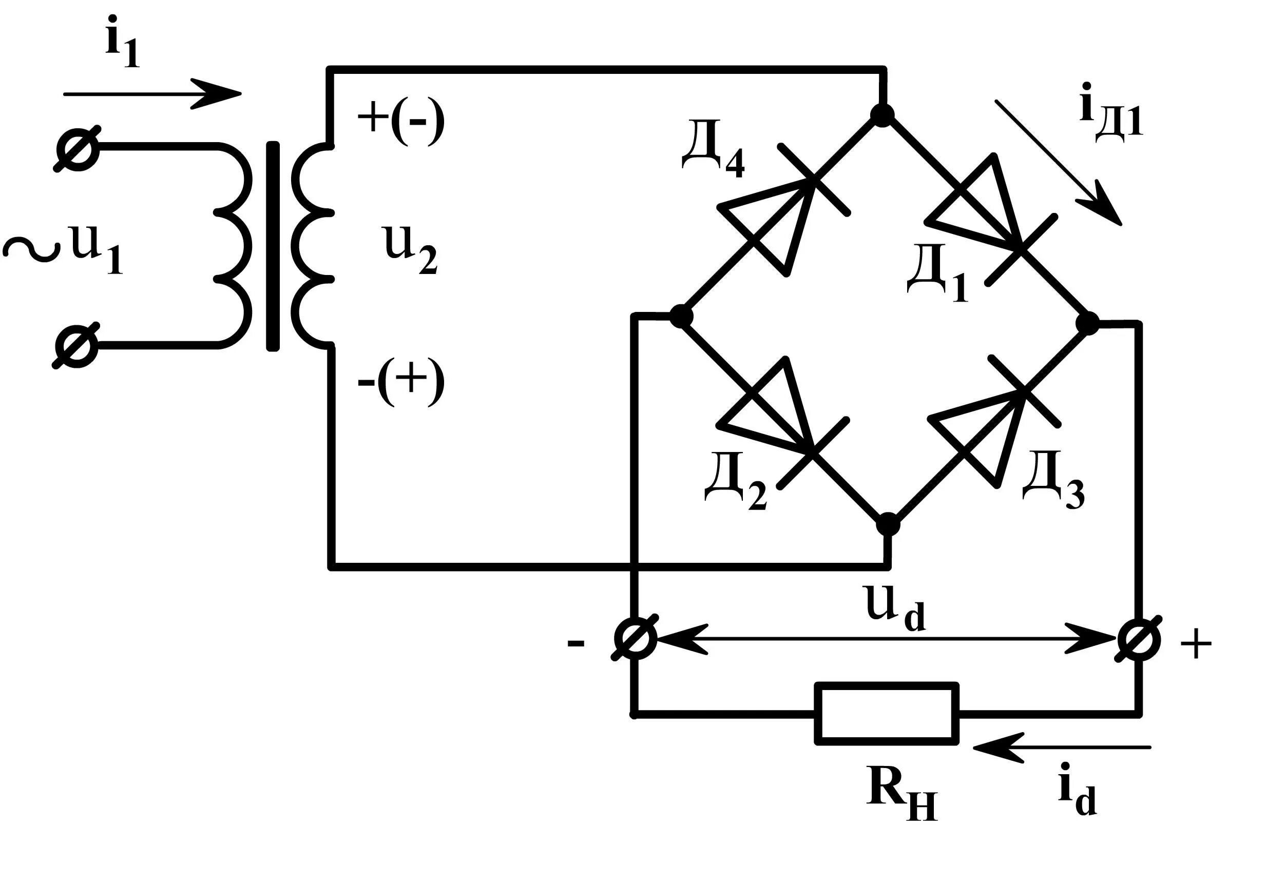
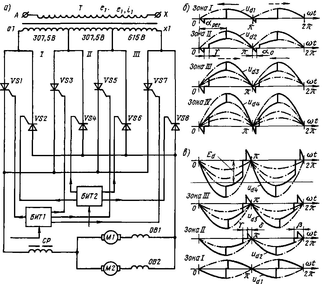
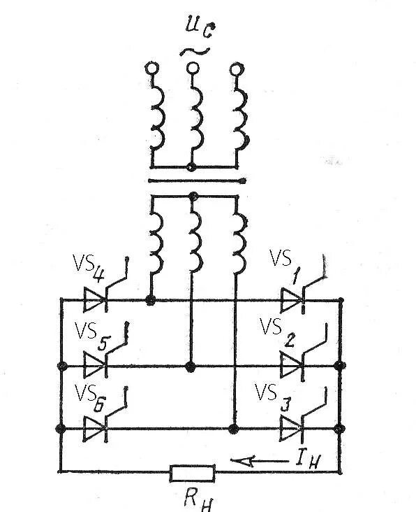
Схемы управляющих выпрямителей