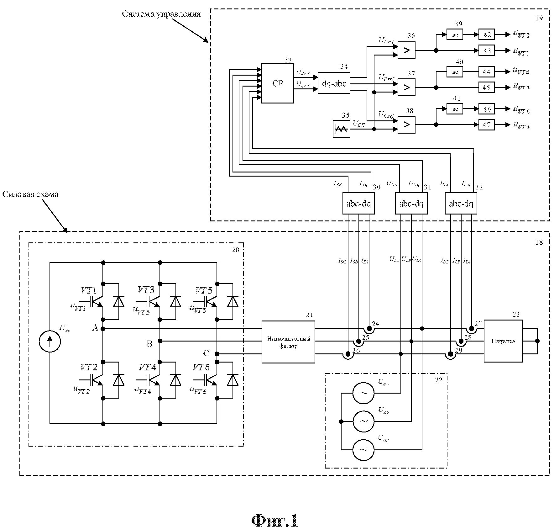
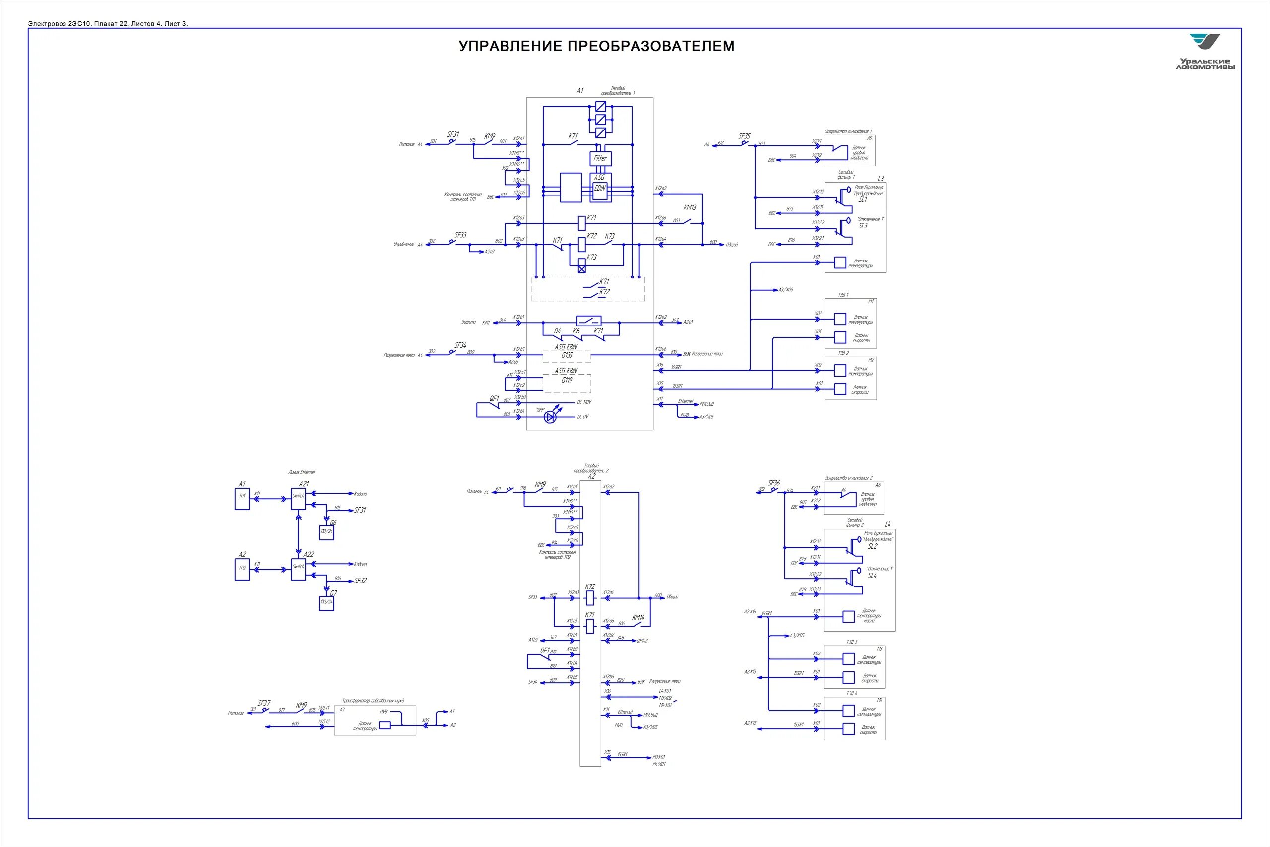
Схемы управления инверторами