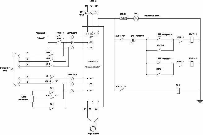
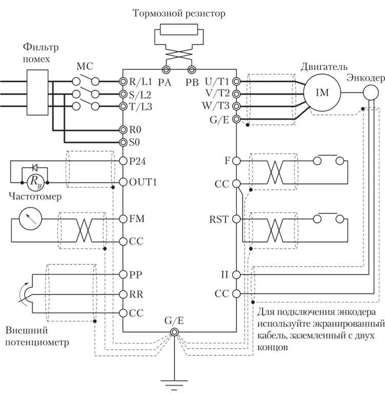
Схемы управление частотными преобразователями