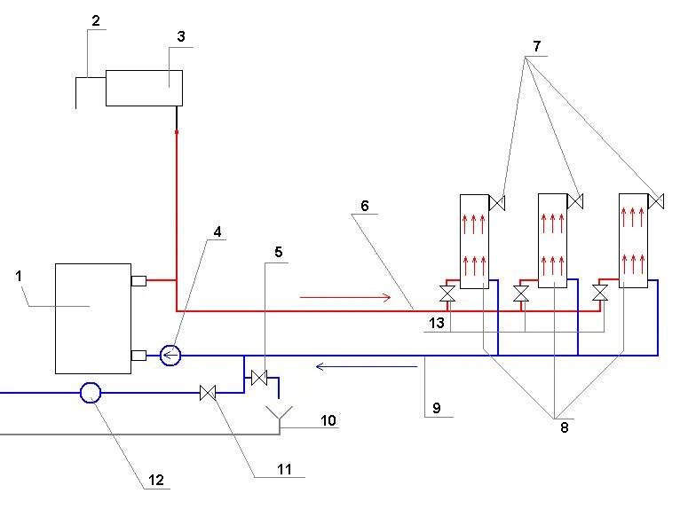
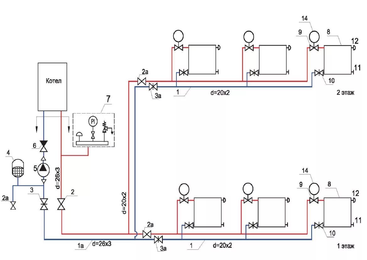
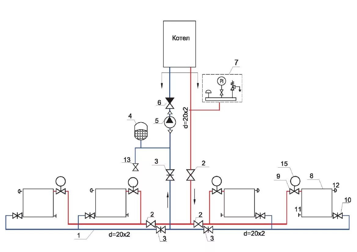
Схемы систем отопления из полипропилена