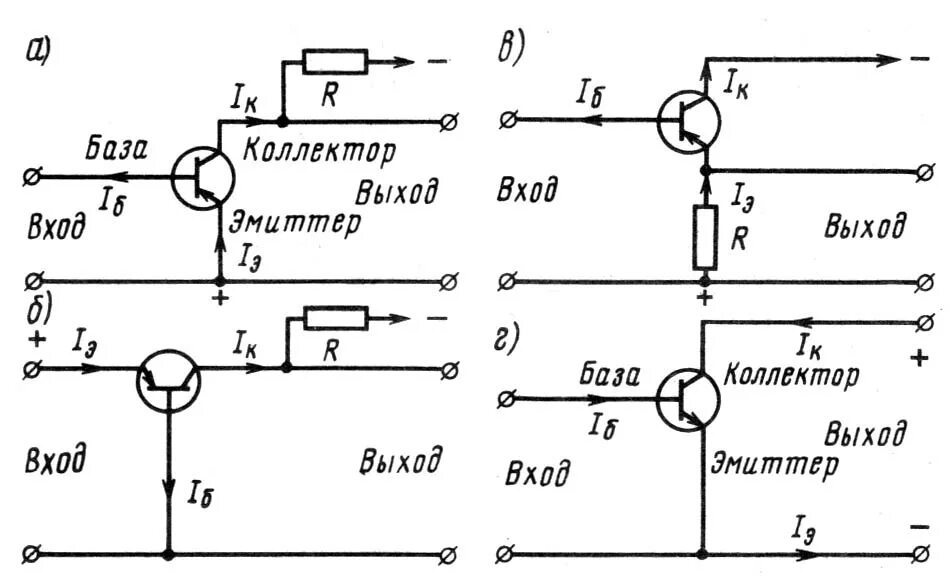
Схемы с общим эмиттером коллектором базой