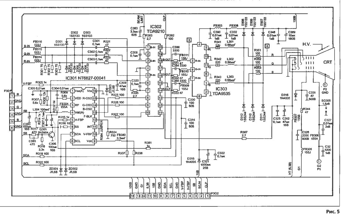
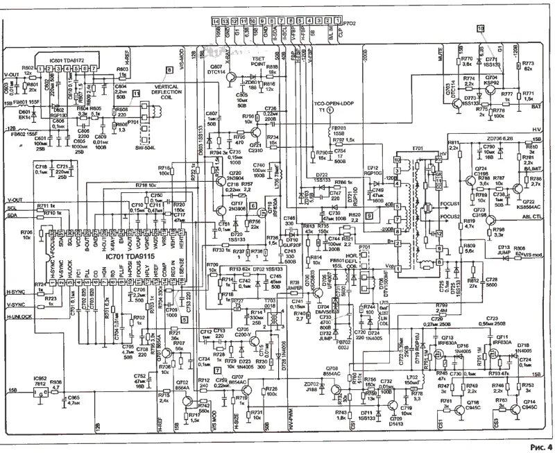
Схемы монитора компьютера