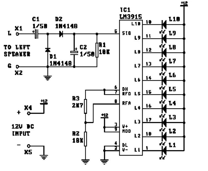
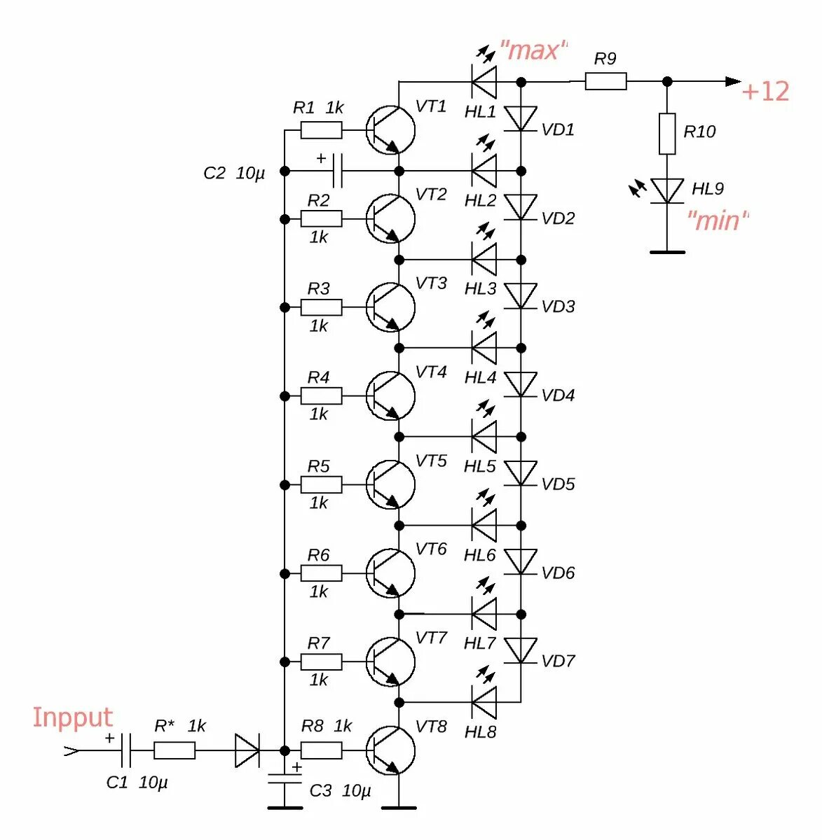
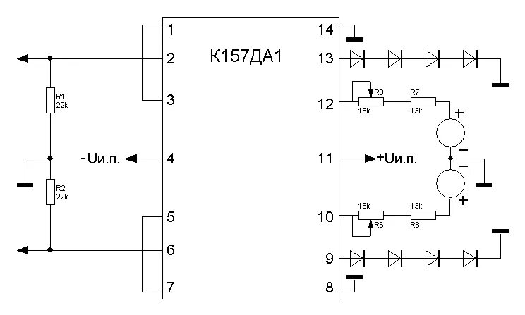
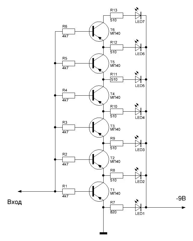
Схемы индикаторов уровня