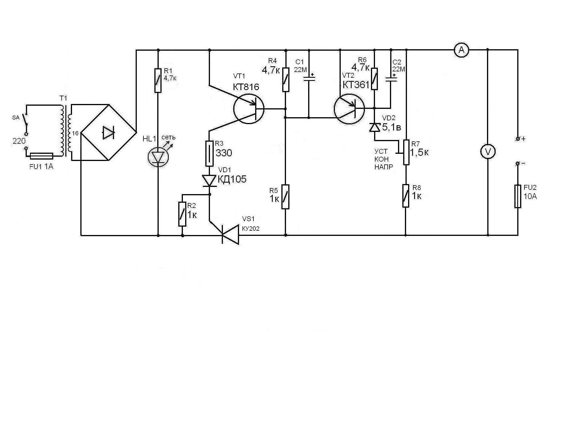
Схема зу акб