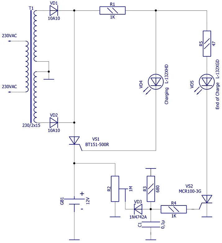
Схема зарядного устройства эле