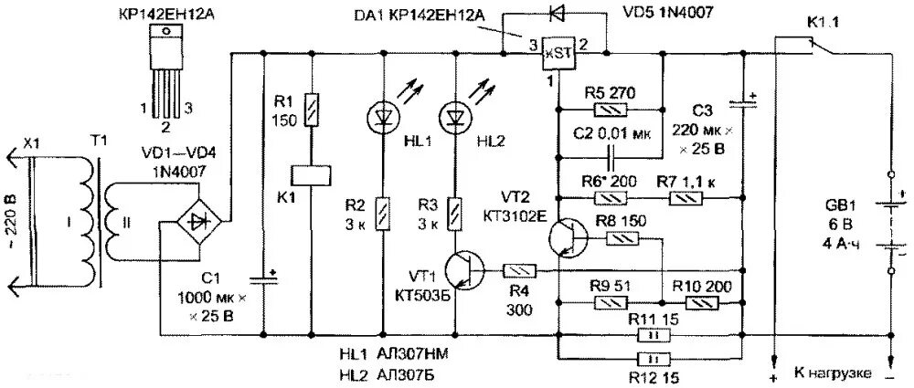
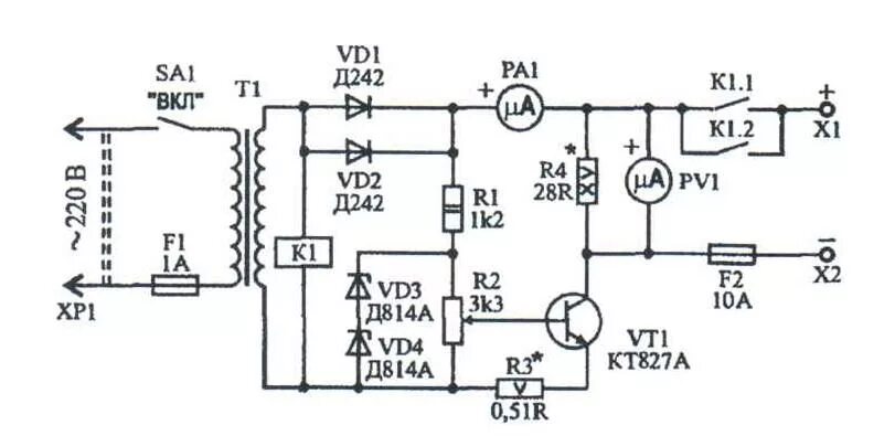
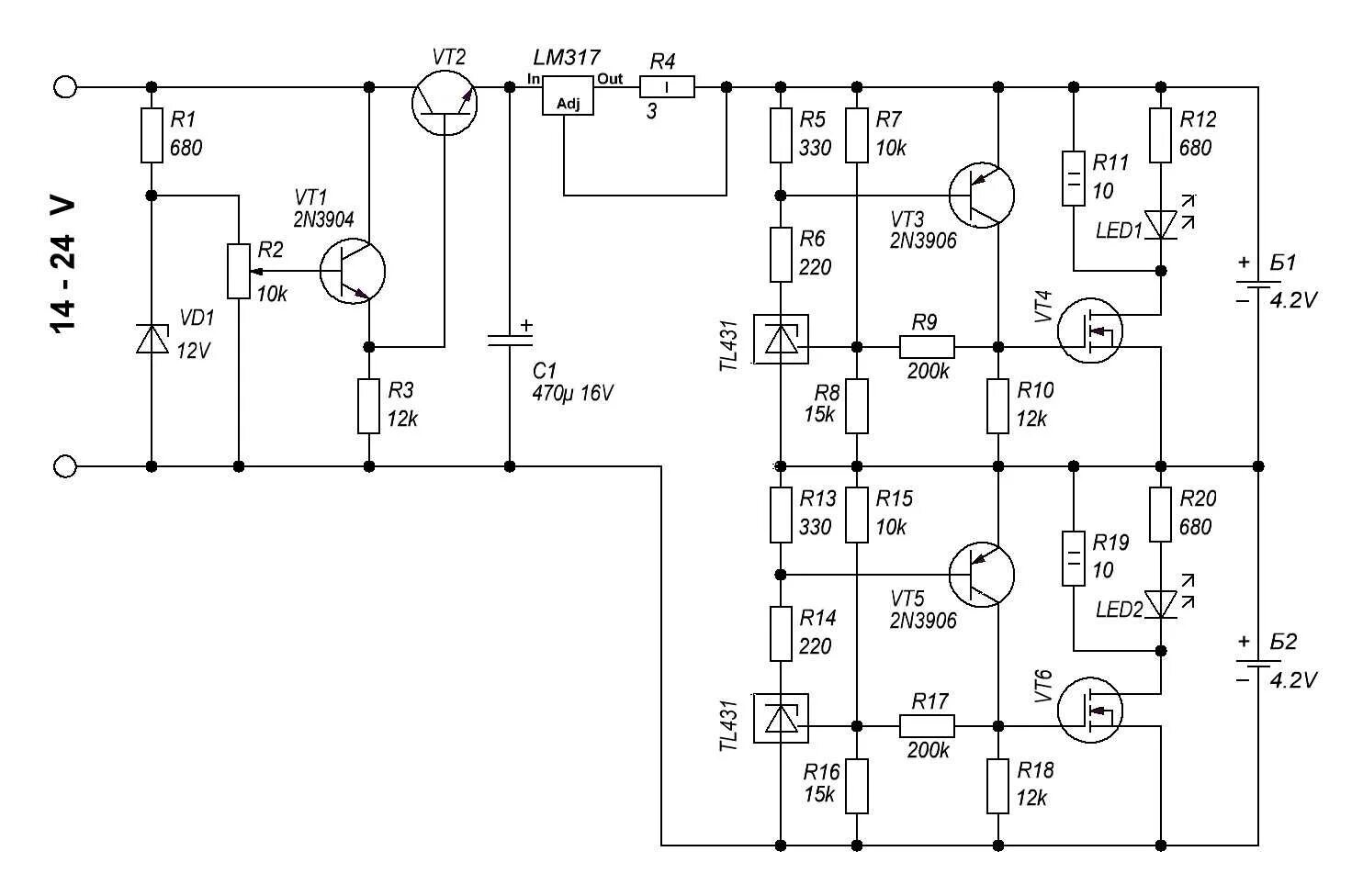
Схема зарядного устройства для 6 аккумуляторов