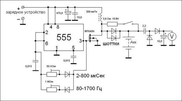
Схема зарядного десульфатации