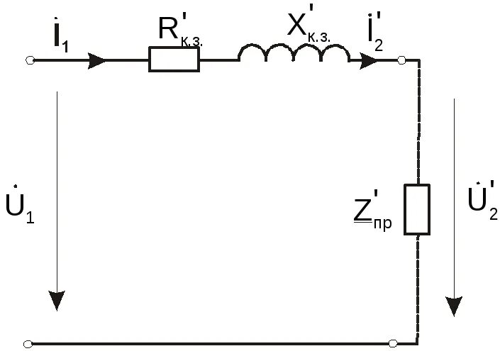
Схема замещения трансформатора короткого замыкания