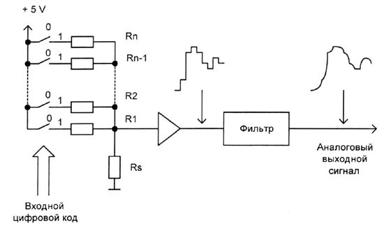
Схема выходного сигнала