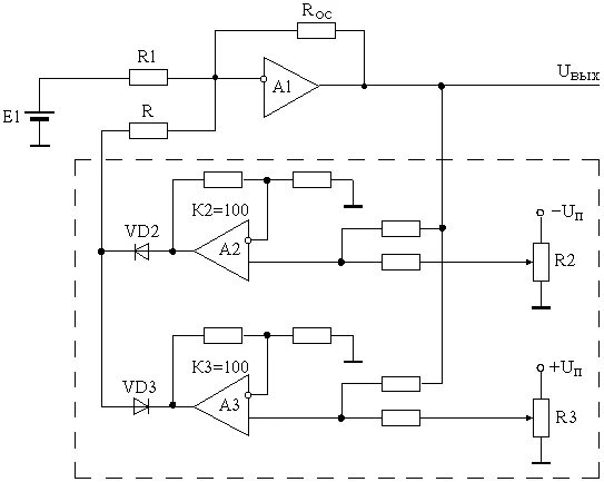
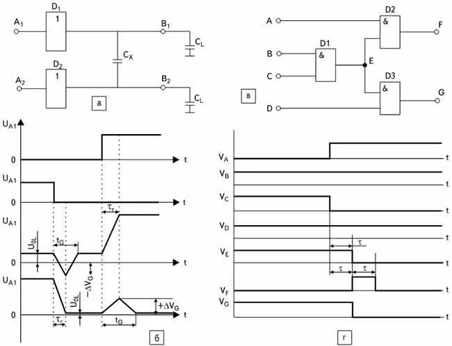
Схема входных сигналов