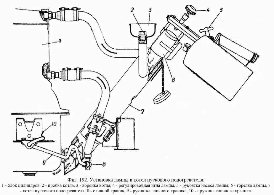
Схема установки предпускового подогревателя