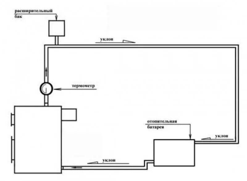
Схема установки котла