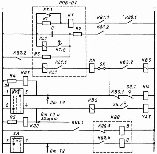
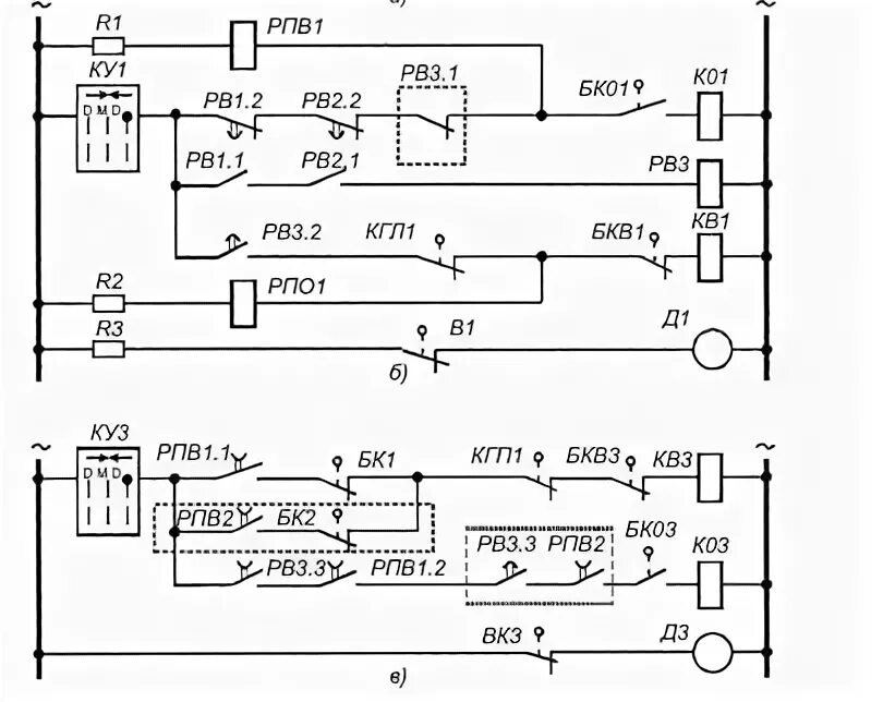
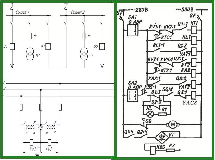
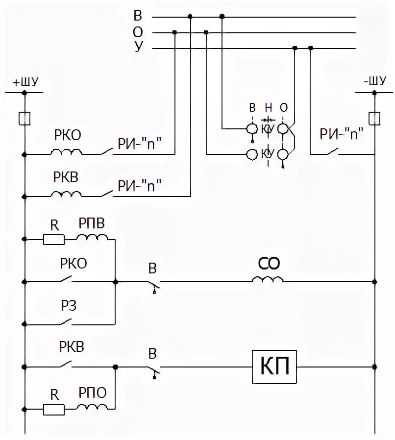
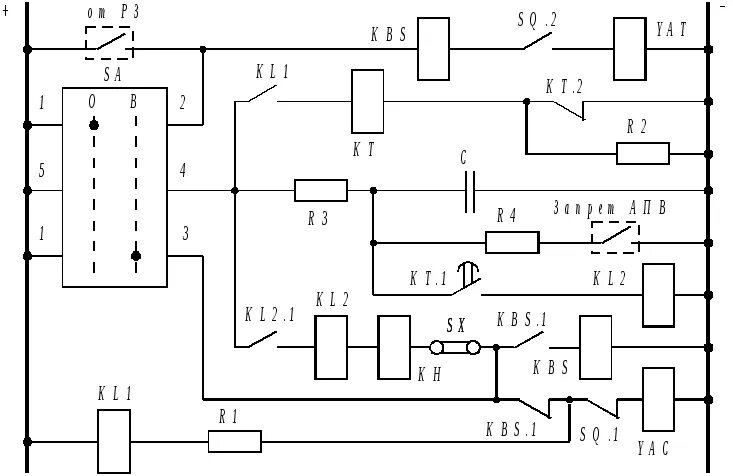
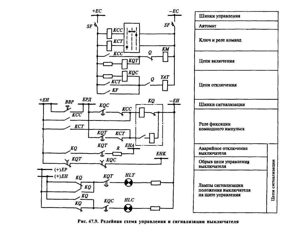
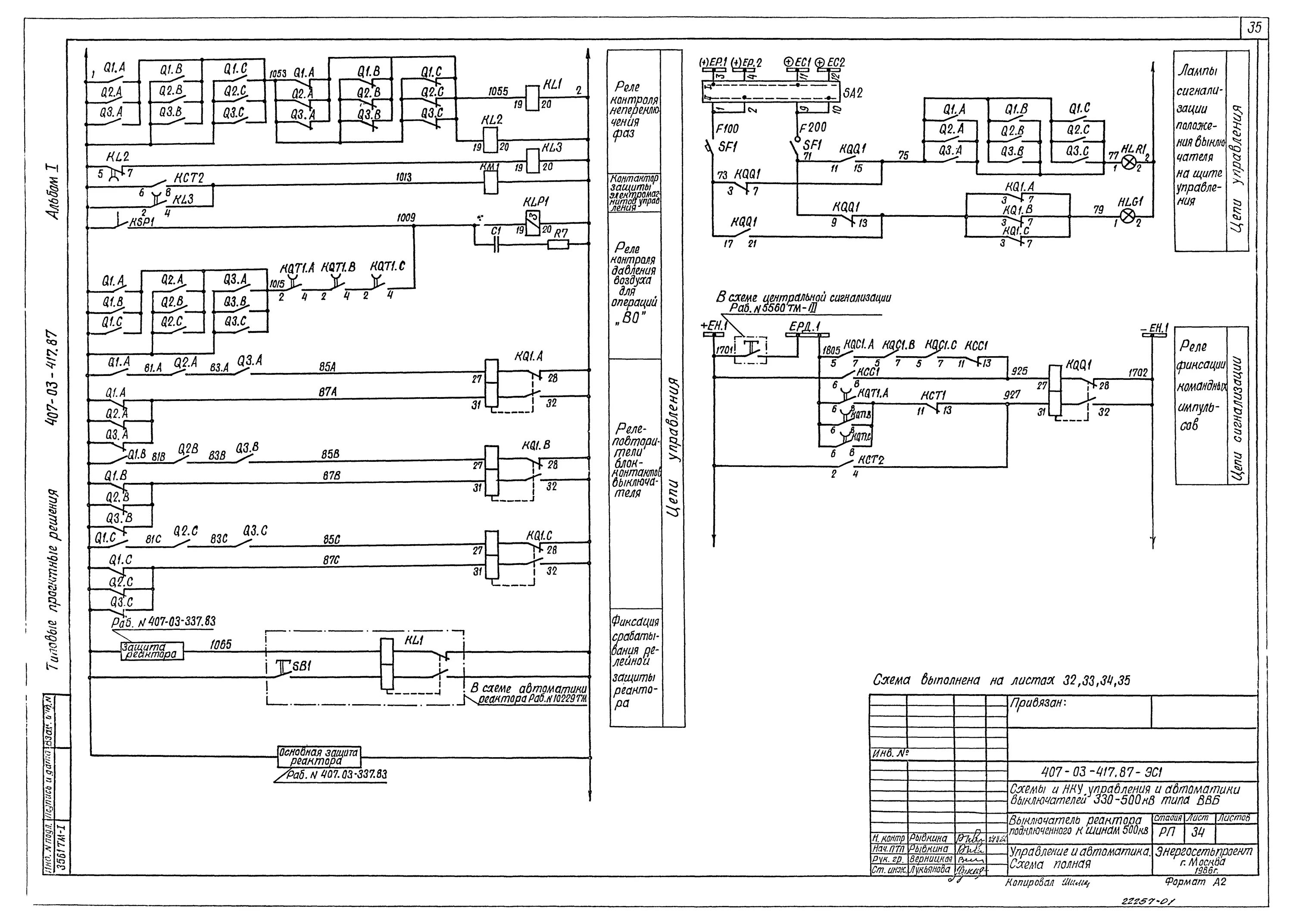
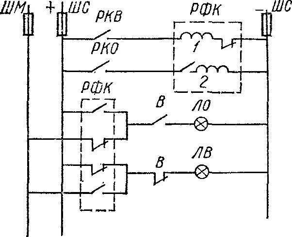
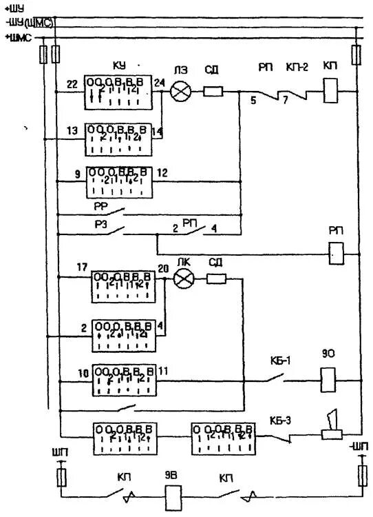
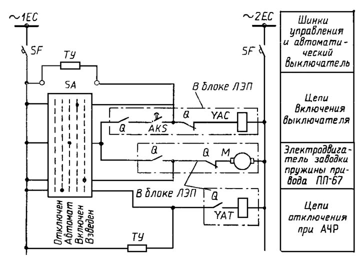
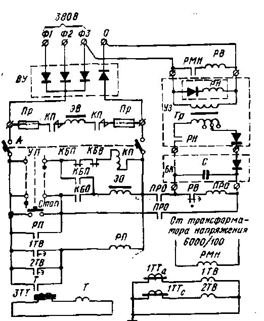
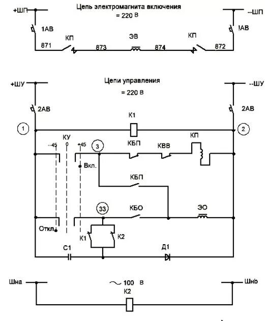
Схема управления выключателем