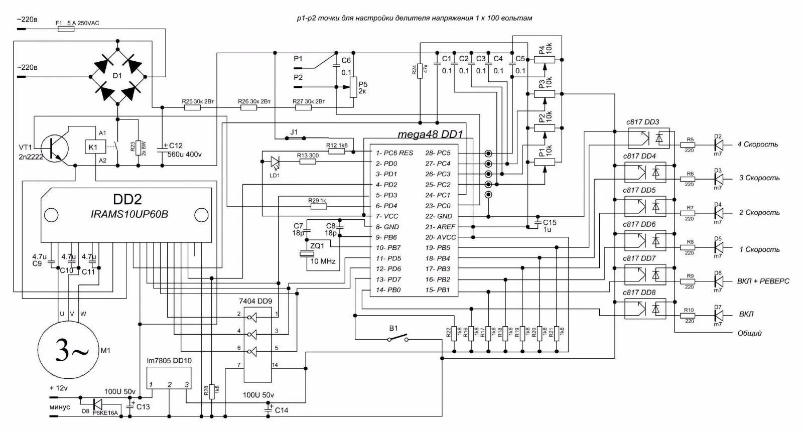
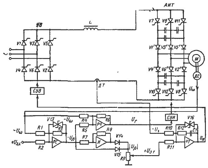
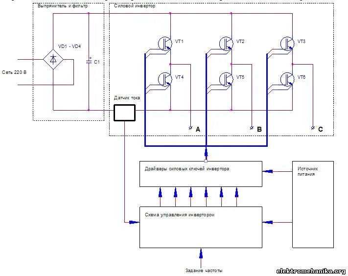
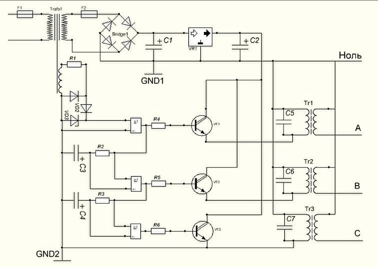
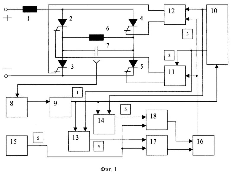
Схема управления инвертором