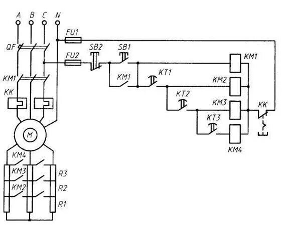
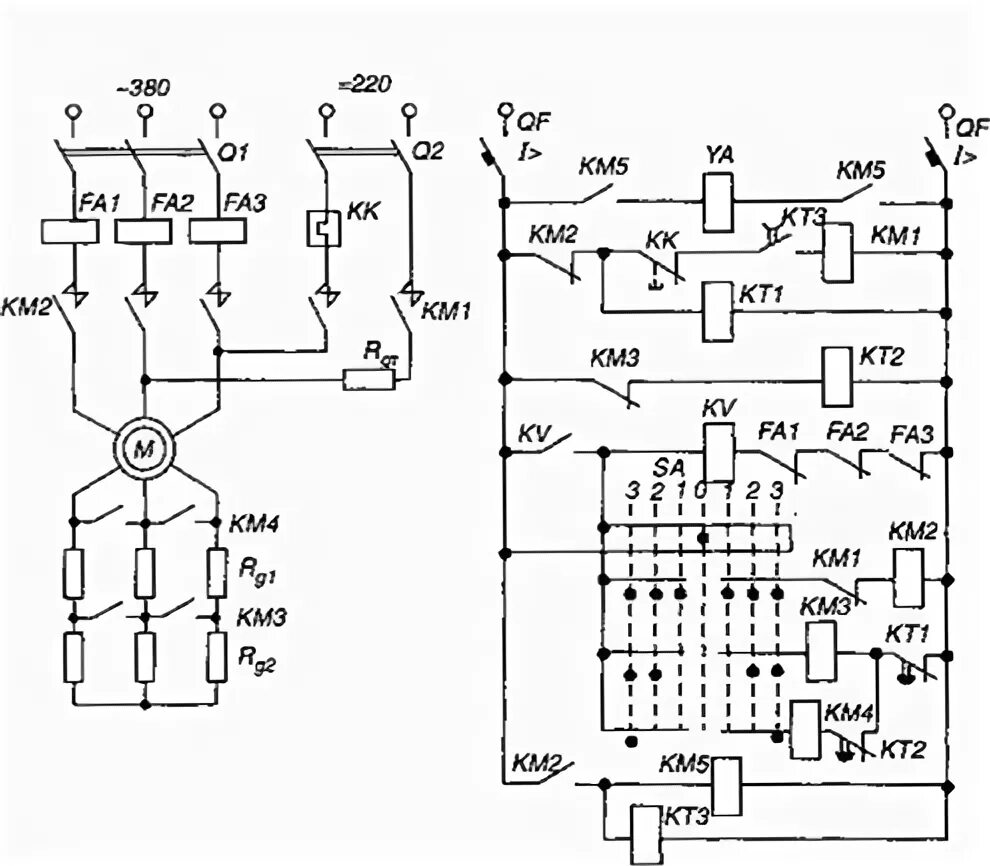
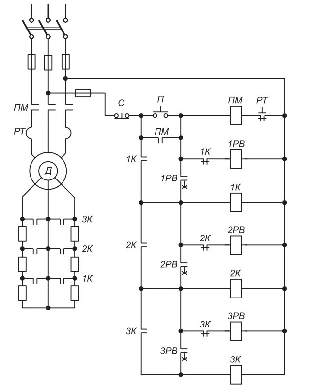
Схема управления асинхронным двигателем с фазным ротором