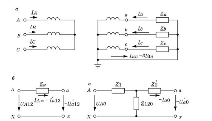
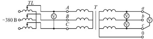
Схема ун ун 0 0