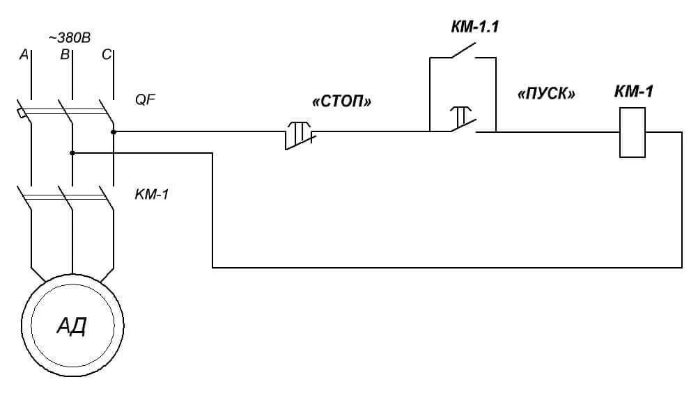
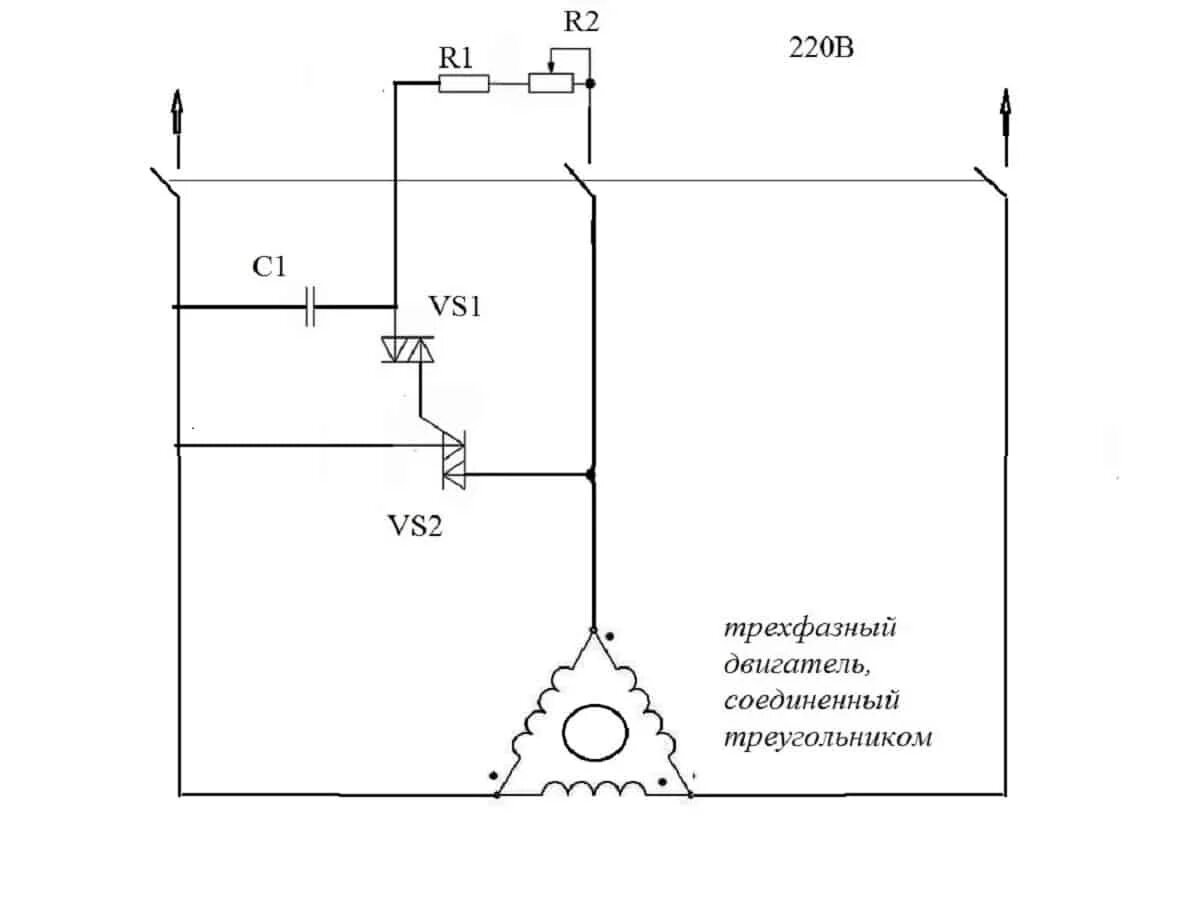
Схема трехфазного двигателя