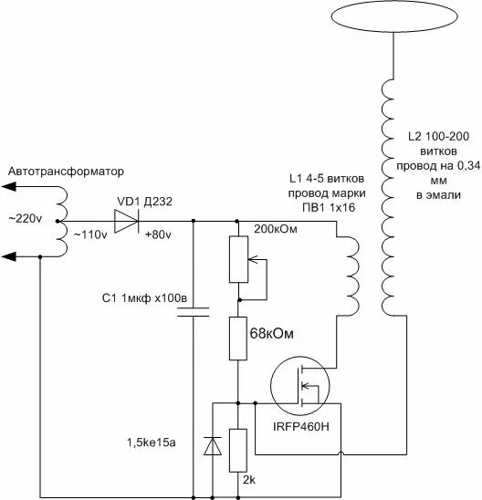
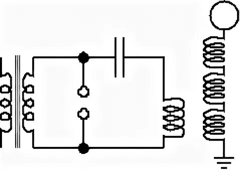
Схема трансформатора тесла