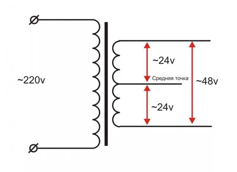
Схема трансформатора на 12 вольт