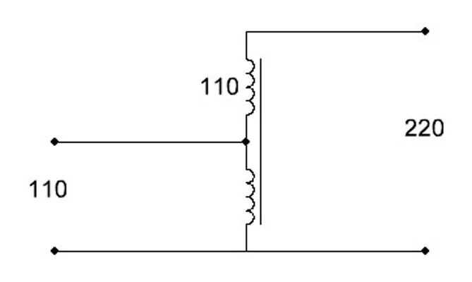
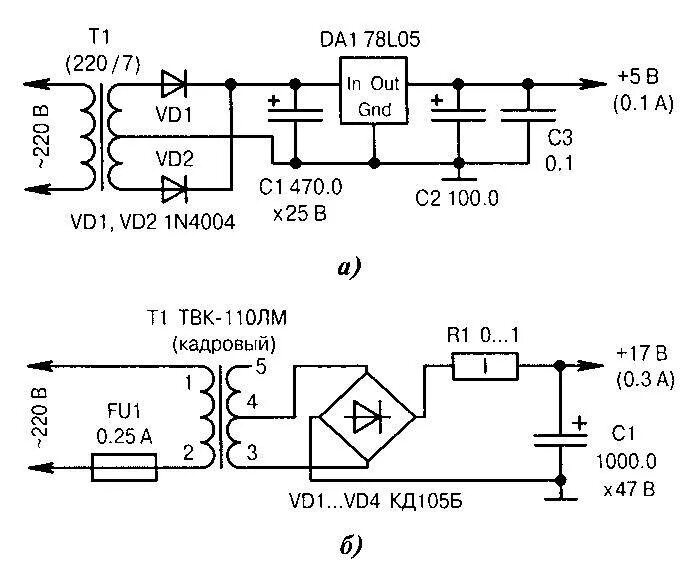
Схема трансформатора 220