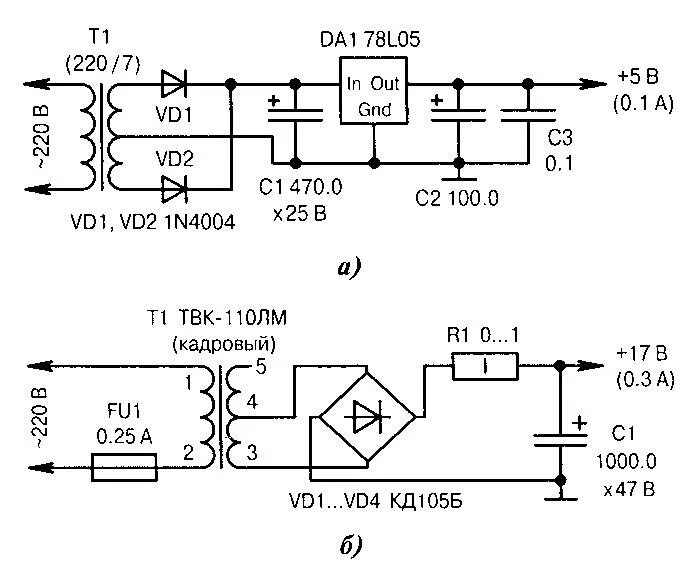
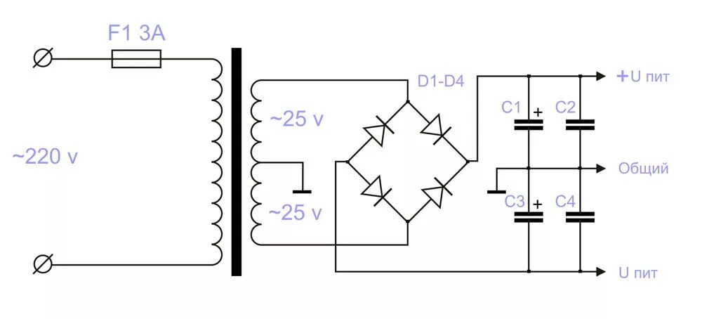
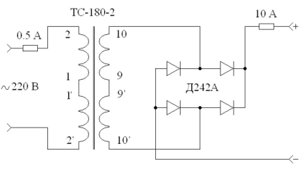
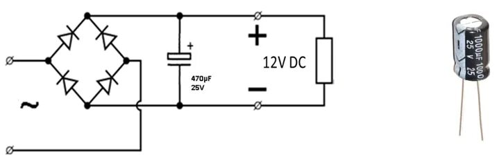
Схема трансформатора 12 вольт