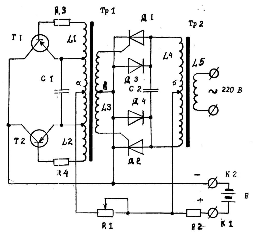
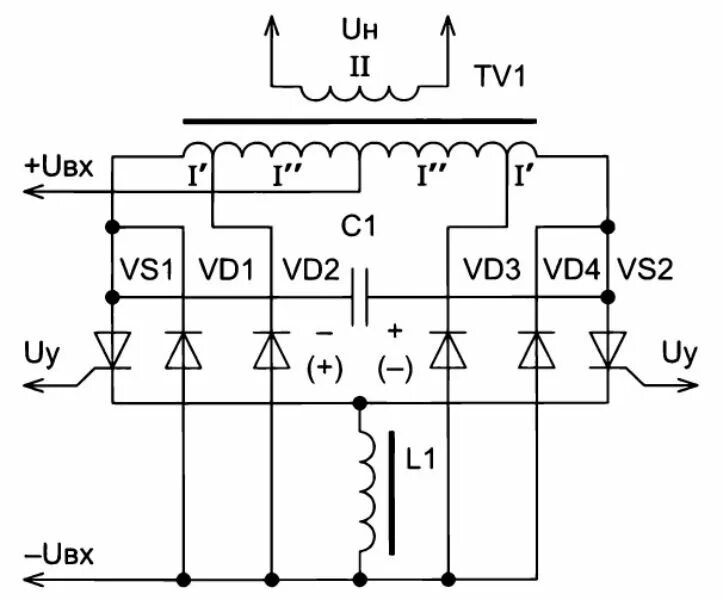
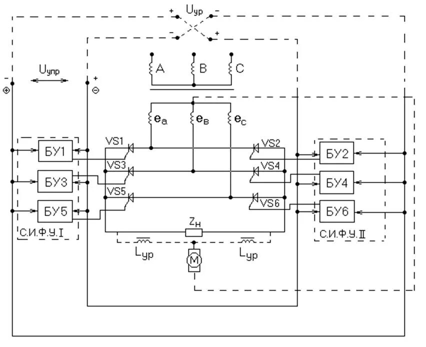
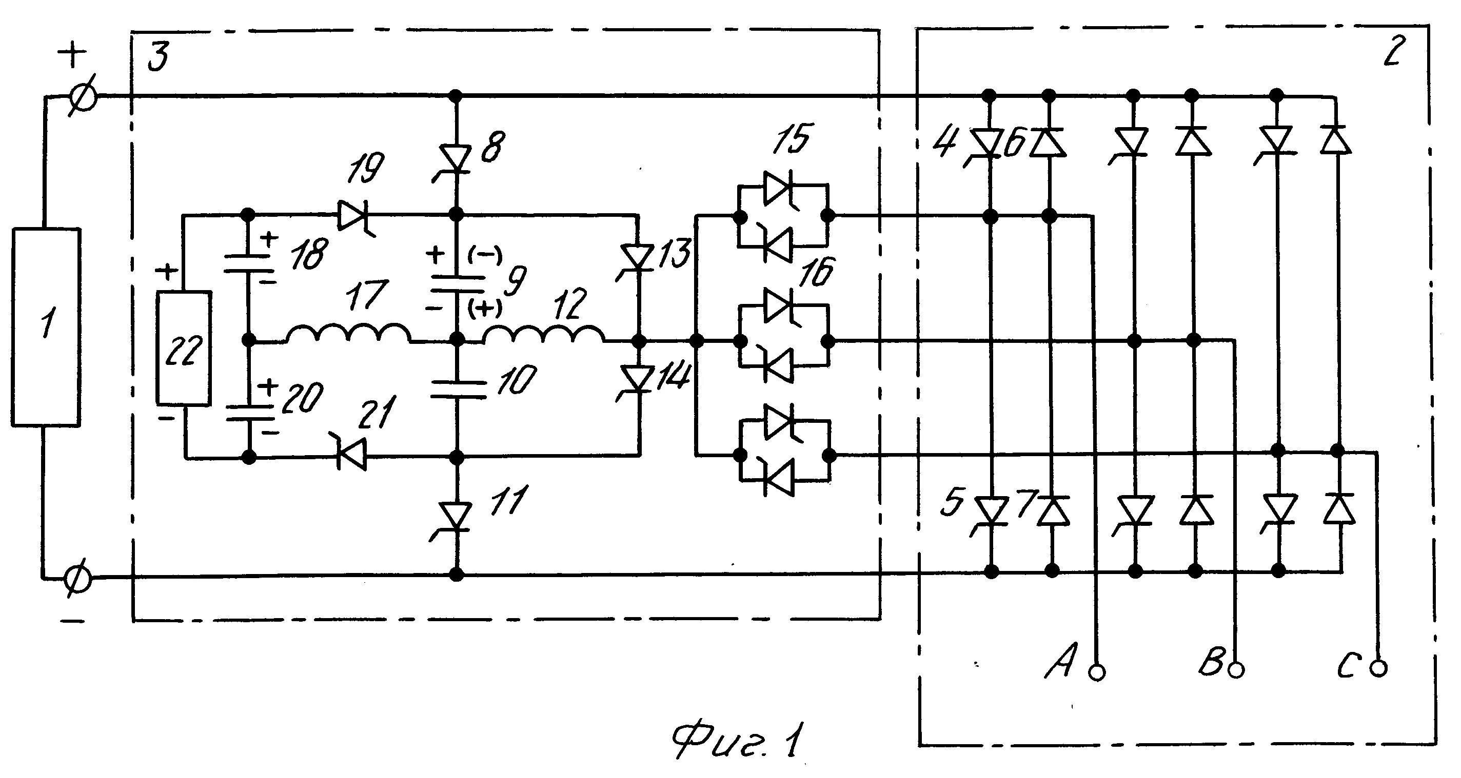
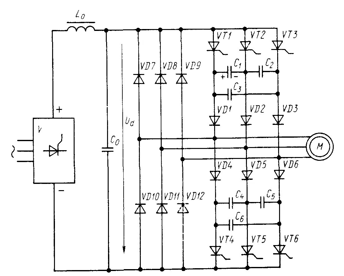
Схема тиристорного преобразователя