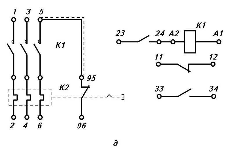
Схема соединения магнитного