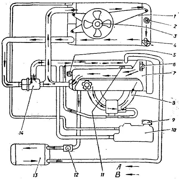
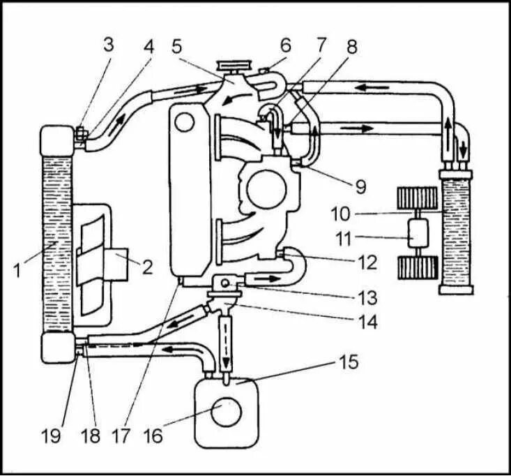
Схема системы охлаждения двигателя