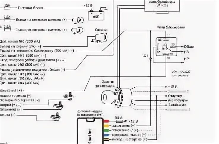
Схема сигнализации старлайн а9