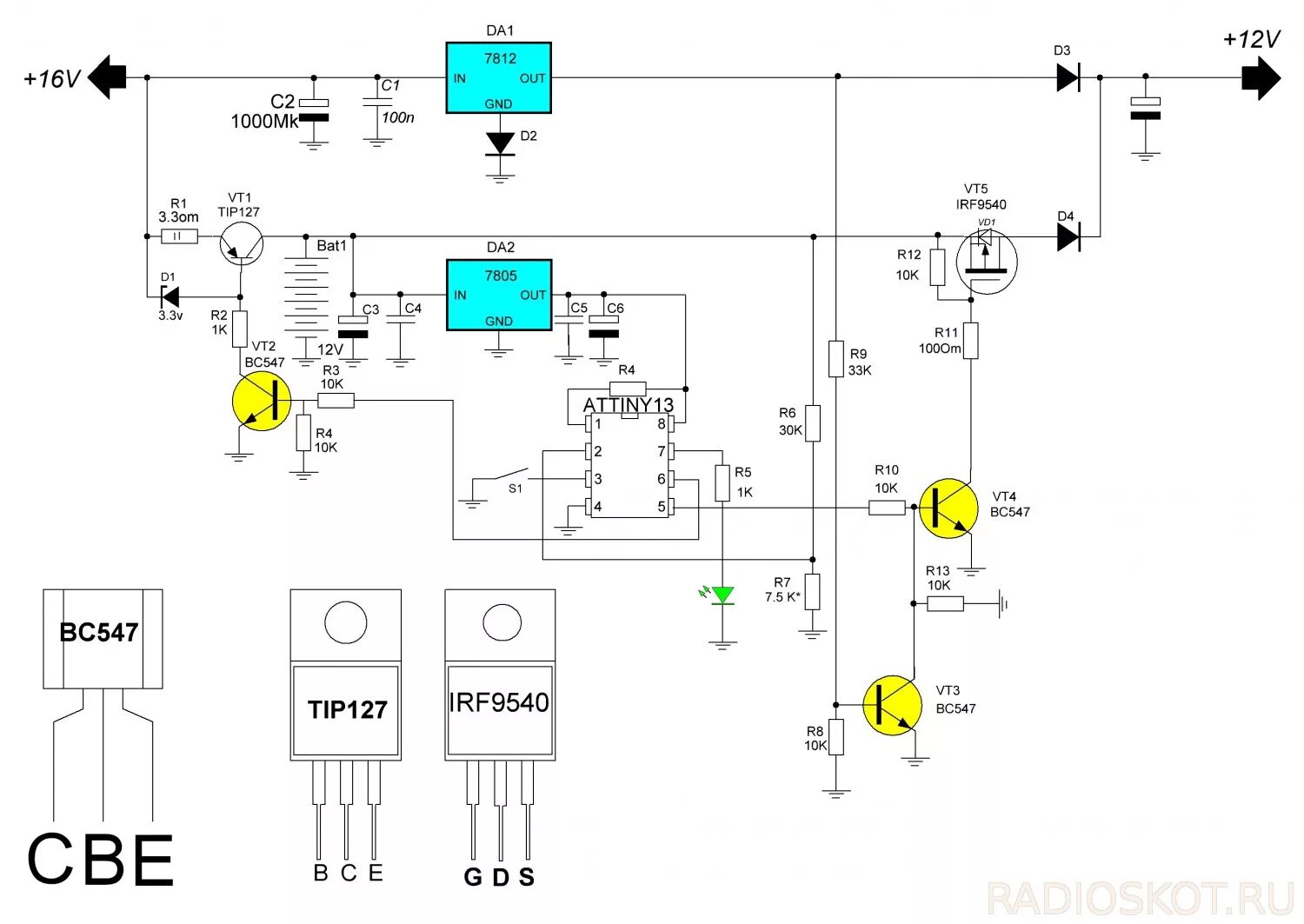
Схема резервирования питания