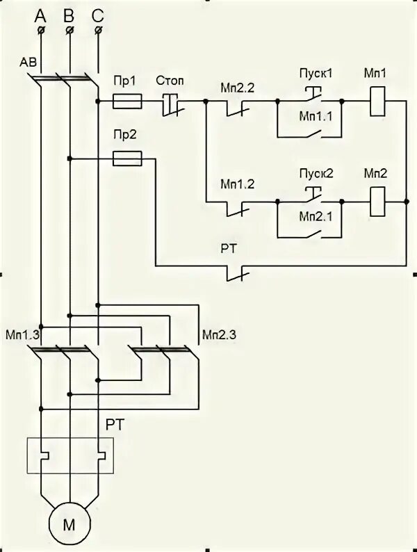
Схема реверсивного пускателя 380