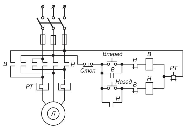
Схема реверсивного подключения трехфазного двигателя