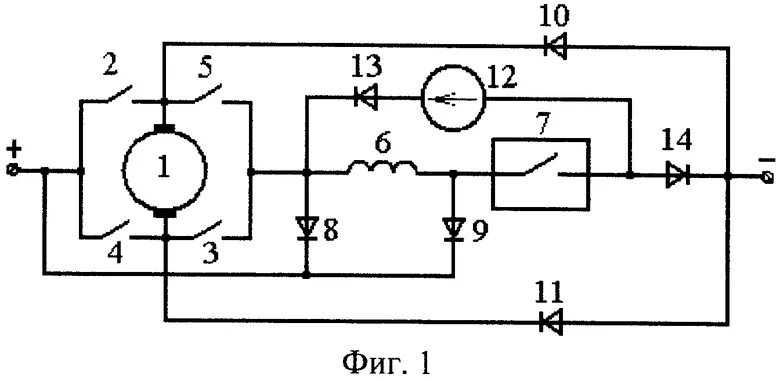
Схема реверса двигателя постоянного тока