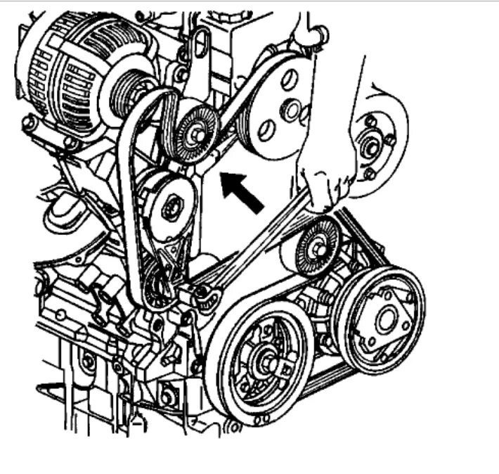
Схема ремня генератора шевроле лачетти