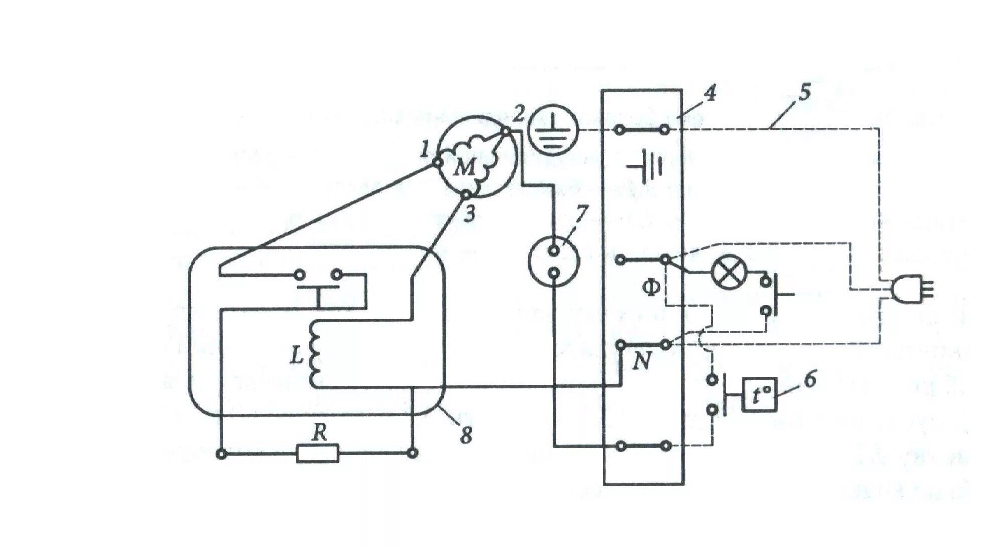
Схема реле пускозащитного